
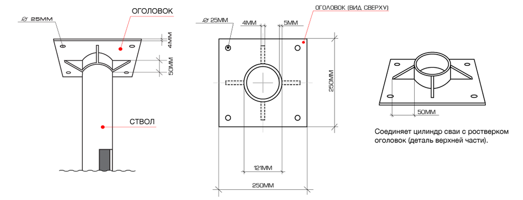
Оголовки для винтовых свай – это важная деталь в процессе строительства и укрепления фундамента. Они не только обеспечивают надежность и устойчивость конструкции, но и позволяют выполнять крепление бруса собственными руками. Размеры диаметра материалов для оголовков могут варьироваться в зависимости от специфики проекта и условий строительства.
Если вы планируете использовать винтовые сваи с диаметром 108 мм, то оголовки должны быть соответствующего размера. Они обеспечивают крепкое соединение между свайным стержнем и деревянным брусом. Данные оголовки имеют прочную конструкцию и долгий срок службы. Крепление бруса с помощью таких оголовков будет надежным и устойчивым.
Для свай с диаметром 89 мм существуют аналогичные оголовки, которые также отличаются высокой прочностью и надежностью крепления. Их установка требует определенных навыков и знаний, поэтому рекомендуется делать это под контролем высококвалифицированных специалистов. Крепление бруса с использованием таких оголовков будет гарантированно безопасным и стабильным.
Для свай с диаметром 57 мм также существуют специальные оголовки. Они рассчитаны на более небольшие нагрузки и используются, например, при строительстве небольших построек или установке навесов. Такие оголовки обеспечивают надежное крепление бруса и устойчивость конструкции в целом.
Оголовки для винтовых свай являются важным элементом при строительстве и укреплении фундамента. Они обеспечивают надежное и прочное крепление бруса и позволяют выполнить это самостоятельно, что является значительным преимуществом. При выборе оголовков необходимо учитывать диаметр свай и потребности конкретного проекта, чтобы обеспечить безопасное и долговечное строительство.
Размеры диаметра материалов 108, 89 и 57 мм

Оголовки для винтовых свай предлагаются в различных размерах диаметра, включая 108, 89 и 57 мм. Эти размеры позволяют подобрать подходящую оголовку для каждого конкретного случая.
Свай с диаметром 108 мм обычно используется для более крупных конструкций, таких как дома, амбары или заборы. Этот размер дает дополнительную прочность и стабильность, что особенно важно для таких масштабных проектов.
Свай диаметром 89 мм подходит для средних по размеру строительных проектов, таких как небольшие постройки, гаражи или террасы. Этот размер дает достаточную прочность и устойчивость, одновременно оставляя возможность для гибкости и маневра.
Свай с диаметром 57 мм наиболее подходит для небольших и легких конструкций, таких как детские игровые площадки или садовые постройки. Этот размер достаточен для поддержания необходимой стабильности и прочности в таких проектах.
Необходимость выбора оголовки в зависимости от диаметра сваи заключается в том, чтобы обеспечить правильное крепление бруса или другого строительного материала своими руками. Важно учитывать соответствие диаметра сваи и оголовки для достижения безопасности и надежности в процессе строительства.
Размер диаметра 108 мм
В качестве материала для сваи диаметром 108 мм чаще всего используется сталь. С такой сваей можно работать как в земле, так и в воде. Она обладает высокой прочностью и устойчивостью к воздействию внешних факторов.
С использованием оголовки диаметром 108 мм можно создать надежное соединение между винтовой сваей и брусом. Данная деталь обеспечивает надежное крепление конструкции и предотвращает смещение или деформацию сваи.
Оголовки для винтовых свай диаметром 108 мм доступны в различных вариантах исполнения и могут быть изготовлены из различных материалов. Это позволяет выбрать оголовку, подходящую именно для вашего проекта.
Установка оголовок для винтовой сваи диаметром 108 мм осуществляется своими руками. Вам потребуется простое инструменты и немного усилий. Процесс монтажа несложный, но требует соблюдения правил безопасности и точности выполнения всех операций.
Размер диаметра 89 мм
Среди оголовков для винтовых свай существует размер диаметра 89 мм. Он широко применяется при креплении бруса своими руками. Данный размер обеспечивает достаточную прочность и надежность конструкции.
Использование оголовков диаметром 89 мм позволяет удерживать брус с надежностью, необходимой для создания прочной основы. Благодаря этому можно обеспечить стабильность и долговечность строительной конструкции.
Диаметр 89 мм особенно важен при использовании винтовых свай для крепления бруса своими руками, поскольку он обеспечивает надежную фиксацию и предотвращает проскальзывание или смещение сваи. Это позволяет сохранить прямоугольную форму конструкции и избежать ее деформации.
Для монтажа бруса с использованием оголовков диаметром 89 мм рекомендуется применение специальных болтов и гаек, обеспечивающих крепкое соединение. Также следует учесть особенности материала сваи и бруса, чтобы гарантировать оптимальное крепление.
При выборе оголовков диаметром 89 мм необходимо учесть требования проекта и индивидуальные особенности конструкции. Это позволит обеспечить безопасность и долговечность сооружения, а также снизить риск возникновения непредвиденных поломок или деформаций.
Размер диаметра 57 мм
/44815c33604658a.ru.s.siteapi.org/img/3eb79d8b3e409efffabe1bed53d04b26e1021c23.png)
Установка оголовков диаметром 57 мм производится с помощью специального инструмента. Необходимо сделать предварительное отверстие, чтобы свая плотно вошла в грунт.
Крепление бруса своими руками предполагает прикрепление его к оголовку винтовой сваи. Для этого нужно использовать соответствующие крепежные элементы, которые обеспечат надежность и прочность соединения бруса и сваи.
Однако перед использованием оголовков диаметром 57 мм необходимо учесть особенности конкретной конструкции и требования к нагрузкам, чтобы выбрать оптимальные размеры и типы оголовков для винтовых свай.
Крепление бруса своими руками
Перед началом работы необходимо правильно выбрать оголовки в соответствии с диаметром свай и бруса, чтобы обеспечить надежное и прочное крепление. Не забудьте также учесть необходимое количество оголовков в зависимости от размера конструкции.
Процесс крепления бруса своими руками может быть проведен следующим образом:
1. Сначала необходимо предварительно разметить места крепления оголовков на брусе с помощью рейки или отвеса. Рекомендуется расставить оголовки на определенном расстоянии друг от друга, соблюдая принцип равномерного распределения нагрузки.
2. С помощью отвертки или специального инструмента сделайте предварительные отверстия для оголовков в брусе. Это поможет избежать трещин и деформаций материала при закручивании оголовков.
3. Установите оголовки на сваи и аккуратно закрутите их с помощью винта с шестигранным шлицем. При закручивании следите за тем, чтобы оголовки были установлены ровно и плотно.
4. Повторите процесс для каждого оголовка и сваи до полного закрепления бруса. Регулярно проверяйте надежность и прочность крепления.
Важно помнить, что крепление бруса своими руками требует точности и аккуратности. Следуйте инструкции и используйте правильные инструменты для достижения наилучшего результата.
Подготовка поверхности для крепления
Перед началом монтажа оголовочных плашек необходимо правильно подготовить поверхность, на которую они будут устанавливаться. Это поможет обеспечить надежное крепление и длительный срок службы вашей конструкции.
При выборе места установки свай необходимо обратить внимание на грунтовые условия и нагрузку, которую они будут выдерживать. Важно убедиться, что поверхность достаточно прочная и устойчивая, чтобы не возникло провисания или деформации со временем.
Для начала очистите поверхность от грязи, пыли, ржавчины и растворов. Это можно сделать с помощью металлической щетки или шлифовального круга. Также убедитесь, что на поверхности нет крупных неровностей или выступающих элементов, которые могут помешать правильному прилеганию оголовочной плашки.
Для облегчения процесса монтажа и обеспечения дополнительной защиты от коррозии рекомендуется нанести антикоррозийное покрытие на поверхность крепления. Для этого можно использовать специальные пропитки или антикоррозийные краски.
Также рекомендуется проверить правильность установки и выравнивание свай в процессе подготовки поверхности. Используйте измерительные инструменты, чтобы обеспечить равномерное расположение свай и правильное расстояние между ними.
| Диаметр материалов | Размеры (мм) |
|---|---|
| 108 | 108 x 108 |
| 89 | 89 x 89 |
| 57 | 57 x 57 |
Подготовка поверхности для крепления оголовочных плашек является важным этапом в процессе установки свай. Следуя рекомендациям по очистке, проверке и обработке поверхности, вы обеспечите надежное крепление и долговечность вашей конструкции.
Выбор способа крепления
Оголовки диаметром 108 мм: такие оголовки обычно используются для крепления более массивных и крупноразмерных брусьев. Наиболее распространенным способом крепления оголовков данного диаметра является использование анкерных болтов или шурупов. Данный способ обеспечивает надежную фиксацию и возможность регулировки положения оголовка.
Оголовки диаметром 89 мм: данное крепление часто применяется при строительстве деревянных заборов, беседок и других небольших конструкций. Для крепления оголовков данного диаметра можно использовать саморезы или шурупы. Этот способ обеспечивает достаточно прочное соединение и не требует дополнительных деталей.
Оголовки диаметром 57 мм: такие оголовки чаще всего используются для создания легких и небольших конструкций, таких как каркас дома или внутренняя перегородка. Для крепления оголовков 57 мм рекомендуется использовать саморезы, которые обеспечат прочность и надежность соединения.
При выборе способа крепления необходимо учитывать особенности конкретной конструкции, а также проконсультироваться с профессионалами в области строительства или монтажа брусовых конструкций. Также необходимо использовать качественные и надежные материалы для обеспечения долговечности и безопасности конструкции.